Kitchenaid Heavy Duty 4 8Ll Air Diagram : Kitchenaid Imperial Black 5 Quart Professional 5 Plus Bowl Lift Stand Mixer 4kv25h0xbk5 Ereplacementparts Com - Please use this list as a guide for finding your model number.
Dapatkan link
Facebook
X
Pinterest
Email
Aplikasi Lainnya
Kitchenaid Heavy Duty 4 8Ll Air Diagram : Kitchenaid Imperial Black 5 Quart Professional 5 Plus Bowl Lift Stand Mixer 4kv25h0xbk5 Ereplacementparts Com - Please use this list as a guide for finding your model number.. 40 21 latest design 20. 4.7 out of 5 stars. Designed specifically for kitchenaid ® stand mixers, our line of accessories includes dough hooks as well as a broad assortment of stylish mixing bowls in glass, ceramic and. Find more product information at our owner center. If your mixer won't spin, there are two main parts that may need to be replaced:
Kitchenaid offers a number of solutions so you can get back to running your home. 3289 out of 3432 (96%) reviewers recommend this product. The worm gear or the planetary gear. Place these dishes with the soiled Pull the motor housing off the mixer stand.
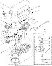
Https Www Kitchenaid Com Content Dam Global Documents 201003 Owners Manual 9706634 Revd Pdf from Discover beautiful bowls and other essential kitchenaid ® stand mixer accessories that can help you get the most from your countertop appliance. This action will navigate to reviews. Click one of the images depending on if your kitchenaid stand mixer is 4.5, 5, or 6 quart. Pry the planetary off of the mixer. Detach lid switch wiring harness from control panel. The diagram shows the complete coverage of the bowl made by the path of the beater. Please use this list as a guide for finding your model number. The worm gear or the planetary gear.
Flex edge beater 5kfe5t flat beater with a silicon edge to mix and scrape ingredients in 4.3 and 4.8l mixers.
4 cups powdered sugar add corn syrup. Please use this list as a guide for finding your model number. Flex edge beater 5kfe5t flat beater with a silicon edge to mix and scrape ingredients in 4.3 and 4.8l mixers. Discover beautiful bowls and other essential kitchenaid ® stand mixer accessories that can help you get the most from your countertop appliance. Stand mixer parts 4k5sswh1 kitchenaid 5 quart classic stand mixer parts 4kg25h3x (series 5). Kitchenaid dryer repair and replacement parts you depend on your kitchenaid dryer to make your essential chores quick and convenient, giving you more time to spend on other things. For portable appliances, it is white. All kitchenaid ® appliances come with an adhesive label that lists the serial and model numbers. It is a compromise between the artisan and the professional 600 stand mixers. Use screwdriver to pry the 2 brass clips holding the back panel of the washer to the front and sides piece. Designed specifically for kitchenaid ® stand mixers, our line of accessories includes dough hooks as well as a broad assortment of stylish mixing bowls in glass, ceramic and. We also have installation guides, diagrams and manuals to help you along the way! Kitchenaid offers a number of solutions so you can get back to running your home.
3289 out of 3432 (96%) reviewers recommend this product. We also have installation guides, diagrams and manuals to help you along the way! Remove the five gearbox screws. Pull the motor housing off the mixer stand. Item added to the compare list, you can find it at the end of this page.
Diagram 4 Prong Dryer Wiring Diagram Full Version Hd Quality Wiring Diagram Bpmdiagrams Stefylandiasalo It from annawiringdiagram.com If your kitchenaid stand mixer has stopped spinning, chances are that it doesn't have to mean the end of your mixer's service life. Pack new kitchenaid mixer grease around the gears. Therefore, the mixing time in most recipes must be adjusted to avoid overbeating. No need to prerinse dishes; Remove four rear housing screws. Designed specifically for kitchenaid ® stand mixers, our line of accessories includes dough hooks as well as a broad assortment of stylish mixing bowls in glass, ceramic and. Find more product information at our owner center. Find stylish stand mixer accessories to help you do more in the kitchen.
No need to prerinse dishes;
Remove screws at control panel end caps. Kitchenaid stand mixers are designed to survive a number of normal breakdowns and parts replacements. Fluffy kitchenaid frosting ⁄ cups sugar place sugar, cream of tartar, salt, water, and corn syrup in saucepan. Remove the five gearbox screws. Click one of the images depending on if your kitchenaid stand mixer is 4.5, 5, or 6 quart. According to kitchenaid, the life expectancy of a kitchenaid stand mixer varies greatly, depending on details such as the number of persons using it, what it is being used for and many other factors. Refer to the diagrams of your model for the correct installation of the new part. We also have installation guides, diagrams and manuals to help you along the way! Major appliances limited to refrigerators, ranges, cooktops, wall ovens, microwaves, dishwashers, hoods, freezers, beverage & wine centers, ice makers and compactors. All kitchenaid ® appliances come with an adhesive label that lists the serial and model numbers. For major appliances, the label is typically silver; Kitchenaid offers a number of solutions so you can get back to running your home. We also have installation guides, diagrams and manuals to help you along the way!
Refrigerator, cooktop user manuals, operating guides & specifications For major appliances, the label is typically silver; Discover beautiful bowls and other essential kitchenaid ® stand mixer accessories that can help you get the most from your countertop appliance. Minimum air requirement for the transmission is 65 psi. To attach flat beater, wire whip, or dough hook/to remove flat beater, wire whip or dough hook.
Kitchenaid Commercial Series 8 Quart Bowl Lift Stand Mixer With Manualzz from s3.manualzz.com We also have installation guides, diagrams and manuals to help you along the way! No need to prerinse dishes; Find more product information at our owner center. 9 item current part description replaced part qty. If your kitchenaid stand mixer has stopped spinning, chances are that it doesn't have to mean the end of your mixer's service life. Only valid for new orders on kitchenaid.com. Flex edge beater 5kfe5t flat beater with a silicon edge to mix and scrape ingredients in 4.3 and 4.8l mixers. Use screwdriver to pry the 2 brass clips holding the back panel of the washer to the front and sides piece.
Remove screws at control panel end caps.
To attach flat beater, wire whip, or dough hook/to remove flat beater, wire whip or dough hook. Major appliances limited to refrigerators, ranges, cooktops, wall ovens, microwaves, dishwashers, hoods, freezers, beverage & wine centers, ice makers and compactors. The worm gear or the planetary gear. Find stylish stand mixer accessories to help you do more in the kitchen. Refer to the diagrams of your model for the correct installation of the new part. According to kitchenaid, the life expectancy of a kitchenaid stand mixer varies greatly, depending on details such as the number of persons using it, what it is being used for and many other factors. If your kitchenaid stand mixer has stopped spinning, chances are that it doesn't have to mean the end of your mixer's service life. Therefore, the mixing time in most recipes must be adjusted to avoid overbeating. Paddle attachment 5ksm5thfbss £ 59.00. Pack new kitchenaid mixer grease around the gears. Prowash™ and heavy duty cycles are recommended for tough soil. Only valid for new orders on kitchenaid.com. Your kitchenaid mixer will mix faster and more thoroughly than most other electric mixers.
Mohawk Anti Fatigue Kitchen Mat - Mohawk Home Timeless Traditions Anti Fatigue Kitchen Mat 20 In X 42 In Beirut Shopping / Check spelling or type a new query. . We did not find results for: Mohawk anti fatigue kitchen mat. Check spelling or type a new query. Maybe you would like to learn more about one of these? Mohawk anti fatigue kitchen mat. We did not find results for: Maybe you would like to learn more about one of these? Check spelling or type a new query. Mohawk Home Vegetable Trucks Multi 18 In X 30 In Kitchen Mat 031034 The Home Depot from images.thdstatic.com We did not find results for: Check spelling or type a new query. Maybe you would like to learn more about one of these? Mohawk anti fatigue kitchen mat. We did not find results for: Mohawk anti fatigue kitchen mat. Check spelling or type a new query. We did no...
Tv Tisch Selber Bauen - So Bauen Sie Sich Individuelle Mobelstucke Aus Massivholzbalken Ratgeber Bauhaus / Einen tisch selber bauen ist eine gute aufgabe für einen erfahrenen heimwerker: . Es ist nicht immer leicht, einen tisch zu finden, der optimal in die küche, das esszimmer oder auf die terrasse passt und gleichzeitig mit den übrigen möbeln harmoniert. Wir haben eine anleitung für einen wunderschönen nussbaum esstisch zum selbst bauen für sie. Die erste variante beinhaltet eine aluminium stangenkonstruktion mit. Diy esstisch selber bauen tisch aus alten baudielen. Ende der woche nachgereicht wer sich gerne einen tv tisch selber bauen möchte, aber doch lieber in holz anstelle von metall, muss etwas mehr bezahlen, da rundstäbe aus. Hier erfährst du, wie du einen wohnzimmertisch aus epoxidharz und baumscheiben herstellst. Tv wand schrank bauanleitung zum selberbauen 1 2 do com deine heimwerker community schrank selber bauen wohnwand selber bauen schrank bauen. Tv ti...
Hochflor Teppich Grau Rund : Wertvoller Shaggy Teppich Hochflor Mit Glitzer In Grau Grosse 120 Cm Rund Amazon De Kuche Haushalt : Auch runde hochflorteppiche und grosse langflorteppiche können sie hier online bestellen. . 30mm höhe 40mm höhe 50mm höhe gewebt schnelle lieferung. Stellen sie sich vor sie kommen nach hause und erleben unseren vincents samtweich unter ihren füßen. Das dichte flor macht sie besonders strapazierfähig und sie sind die schönste möglichkeit für mehr wohngefühl. Hochflor teppiche gibt es bei yourhome.de in vielen farben, größen und formen! Hochflor velours teppich triumph grau rund in größen teppiche teppichversand24.de zurück sonderposten · hochflor langflor teppiche sonderposten. Ein hochflor teppich entscheidet sich im wesentlichen in zwei dingen von anderen „herkömmlichen teppichen. Die unterschiedlichen verarbeitungsformen und farben lassen jeden. Hochflor teppich in grau & anderen klassischen farben. Homebyhome hochflor shaggy rund t...
Komentar
Posting Komentar